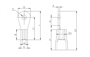
Our range of Ring Type Tinned Copper Cable Terminal Ends – Insulated & Non Insulated is manufactured from high conductivity copper and electro-tinned for corrosion resistance. These are available in different sizes to serve different joining techniques such as crimping, soldering and welding.
| Specification | ||||||||||||||
|---|---|---|---|---|---|---|---|---|---|---|---|---|---|---|
| Cable mm2 | Stud Hole E | Dimensions | Non Insulated | Dimensions | Insulated | |||||||||
| A | C | D | F | B | H | L-1 | J | Prod. Code | J - 1 | L - 3 | C - 1 | Prod. Code | ||
| 1.5 | 2.2 | 1.6 | 3.2 | 6 | 0.8 | 5 | 4 | 11 | 14 | HR 7103 | 10 | 16 | 4.8 | HRI 7052 |
| 2.6 | 1.6 | 3.2 | 6 | 0.8 | 5 | 4 | 11 | 14 | HR 7000 | 10 | 16 | 4.8 | HRI 7053 | |
| 3.2 | 1.6 | 3.2 | 6 | 0.8 | 5 | 4 | 11 | 14 | HR 7001 | 10 | 16 | 4.8 | HRI 7054 | |
| 3.7 | 1.6 | 3.2 | 6 | 0.8 | 5 | 4 | 11 | 14 | HR 7002 | 10 | 16 | 4.8 | HRI 7055 | |
| 4.2 | 1.6 | 3.2 | 6 | 0.8 | 5 | 4 | 11 | 14 | HR 7003 | 10 | 16 | 4.8 | HRI 7056 | |
| 5.2 | 1.6 | 3.2 | 8 | 0.8 | 5 | 5 | 12 | 16 | HR 7005 | 10 | 17 | 4.8 | HRI 7062 | |
| 6.4 | 1.6 | 3.2 | 10 | 0.8 | 5 | 6 | 13 | 18 | HR 7007 | 10 | 16 | 4.8 | HRI 7066 | |
| 2.5 | 3.2 | 2.3 | 3.9 | 6.5 | 0.8 | 5 | 3.5 | 9.5 | 12.7 | HR 7107 | 10 | 14.5 | 5.5 | HRI 7068 |
| 3.7 | 2.3 | 3.9 | 6.5 | 0.8 | 5 | 3.5 | 9.5 | 12.7 | HR 7008 | 10 | 14.5 | 5.5 | HRI 7069 | |
| 4.2 | 2.3 | 3.9 | 8 | 0.8 | 5 | 5 | 12 | 16 | HR 7009 | 10 | 17 | 5.5 | HRI 7071 | |
| 5.2 | 2.3 | 3.9 | 8 | 0.8 | 5 | 5 | 12 | 16 | HR 7010 | 10 | 17 | 5.5 | HRI 7072 | |
| 6.4 | 2.3 | 3.9 | 10 | 0.8 | 5 | 7 | 13 | 18 | HR 7011 | 10 | 18 | 5.5 | HRI 7074 | |
| 8.2 | 2.3 | 3.9 | 12 | 0.8 | 5 | 9 | 16 | 22 | HR 7013 | 10 | 21 | 5.5 | HRI 7077 | |
| 8.2 | 2.3 | 3.9 | 16 | 0.8 | 5 | 10 | 17 | 25 | HR 7014 | 10 | 22 | 5.5 | HRI 7079 | |
| 10.2 | 2.3 | 3.9 | 16 | 0.8 | 5 | 10 | 17 | 25 | HR 7015 | 10 | 22 | 5.5 | HRI 7080 | |
| 12.7 | 2.3 | 3.9 | 18 | 0.8 | 5 | 14 | 20 | 29 | HR 7047 | 10 | 25 | 5.5 | HRI 7082 | |
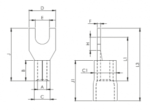
FORK TYPE TERMINAL ENDS: This type of terminal ends are mainly used with flexible wires, cords, control cables, control panel/switchboards, contractors etc. according to the requirements. They are made of high conductivity copper and are used for crimping.
| Specification | ||||||||||||||
|---|---|---|---|---|---|---|---|---|---|---|---|---|---|---|
| Cable mm2 | Stud Hole E | Dimensions | Non Insulated | Dimensions | Insulated | |||||||||
| A | C | D | F | B | H | L-1 | J | Prod. Code | J - 1 | L - 3 | C - 1 | Prod. Code | ||
| 1.5 | 5.1 | 1.6 | 3.2 | 8 | 0.8 | 5 | 10 | 21 | 17 | HF 7214 | 4.8 | 10 | 27 | HFI 7925 |
| 3.5 | 1.6 | 3.2 | 6.8 | 0.8 | 4 | 4.8 | 13 | 8.8 | HF 7249 | 4.8 | 10 | 20.8 | HFI 7926 | |
| 3 | 2 | 2.8 | 6.2 | 0.4 | 5 | 3.1 | 13 | 10.5 | HF 7250 | 4.8 | 10 | 20.5 | HFI 7927 | |
| 2.5 | 3.5 | 2.3 | 3.9 | 6.5 | 0.8 | 5 | 4.3 | 15 | 11.8 | HF 7251 | 5.5 | 10 | 21.8 | HFI 7928 |
| 5 | 2.6 | 4.6 | 10.6 | 1.6 | 6.2 | 6.2 | 21 | 12.4 | HF 7280 | 5.5 | 10 | 20 | HFI 7929 | |
| 4-6 | 3.1 | 3.5 | 5.5 | 6 | 1 | 6 | 5.5 | 15 | 11.5 | HF 7252 | 7.1 | 14 | 27.5 | HFI 7930 |
| 3.5 | 3.5 | 5.5 | 6 | 1 | 6 | 5 | 15 | 11 | HF 7253 | 7.1 | 14 | 27 | HFI 7931 | |
| 10 | 6.5 | 4.5 | 6.9 | 16 | 1.2 | 8 | 11 | 27 | 19 | HF 7254 | 7.9 | 16 | 35 | HFI 7932 |
| 8.2 | 4.5 | 6.9 | 16 | 1.2 | 8 | 11 | 27 | 19 | HF 7255 | 7.9 | 16 | 35 | HFI 7933 | |
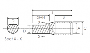
PIN TYPE TERMINAL ENDS: Three types are available in this type of terminal ends i.e. Round, Regular, and Flat. They are mainly used for control cables, terminal station, flexible core, or for smaller sizes of cable. Pin type terminal ends are generally available for crimping type of connections which are made out of high conductivity copper.
| Specification | ||||||||||||||
|---|---|---|---|---|---|---|---|---|---|---|---|---|---|---|
| Cable mm2 | Stud Hole E | Dimensions | TYPE | Product Code | ||||||||||
| A | C | D | F | B | G + H | J | ||||||||
| 1.5 | - | 1.6 | 3.2 | 1.9 | 0.8 | 5 | 10 | 17 | I | HP 9 | ||||
| 2.5 | - | 2.3 | 3.9 | 1.9 | 0.8 | 5 | 10 | 17 | I | HP 1 | ||||
| 4 | - | 2.9 | 4.9 | 2.7 | 1 | 6 | 10 | 20 | I | HP 3 | ||||
| 6 | - | 3.6 | 5.6 | 2.7 | 1 | 6 | 10 | 20 | I | HP 5 | ||||
| 6 | - | 4 | 6 | 2.7 | 1 | 6 | 10 | 20 | I | HP 6 | ||||
| 10 | 2.4 | 4.5 | 6.7 | 4.3 | 1.1 | 8 | 12 | 22 | II | HP 7 | ||||
| 16 | 2.6 | 5.8 | 8.2 | 5.5 | 1.2 | 10 | 13 | 26 | II | HP 8 | ||||
| 25 | 3.8 | 7.5 | 11.1 | 7.2 | 1.8 | 11 | 15 | 33 | II | HP10 | ||||
| 35 | 3.8 | 9 | 12.6 | 8.2 | 1.8 | 12 | 15 | 33 | II | HP 11 | ||||
| 50 | 3.8 | 10.5 | 14.1 | 9 | 1.8 | 16 | 17 | 41 | II | HP 12 | ||||
| 70 | 4.1 | 12 | 16 | 10 | 2 | 16 | 16 | 46 | II | HP 13 | ||||
| 95 | 4.8 | 13.5 | 18.1 | 10 | 2.3 | 20 | 20 | 51 | II | HP 14 | ||||
PIN TYPE TERMINAL ENDS: Three types are available in this type of terminal ends i.e. Round, Regular, and Flat. They are mainly used for control cables, terminal station, flexible core, or for smaller sizes of cable. Pin type terminal ends are generally available for crimping type of connections which are made out of high conductivity copper.
| Specification | ||||||||||||||
|---|---|---|---|---|---|---|---|---|---|---|---|---|---|---|
| Cable mm2 | Stud Hole E | Dimensions | TYPE | Product Code | ||||||||||
| A | C | D | F | B | G + H | C-1 | J-1 | |||||||
| 1.5 | - | 1.6 | 3.2 | 1.9 | 0.8 | 5 | 10 | 17 | 4.8 | 10 | I | HPI 17 | ||
| 2.5 | - | 2.3 | 3.9 | 1.9 | 0.8 | 5 | 10 | 17 | 5.5 | 10 | I | HPI 18 | ||
| 4 | - | 2.9 | 4.9 | 2.7 | 1 | 6 | 10 | 20 | 7.1 | 14 | I | HP 20 | ||
| 6 | - | 3.6 | 5.6 | 2.7 | 1 | 6 | 10 | 20 | 7.1 | 14 | I | HP 22 | ||
| 6 | - | 4 | 6 | 2.7 | 1 | 6 | 10 | 20 | 7.9 | 14 | I | HP 23 | ||
| 10 | 2.4 | 4.5 | 6.7 | 4.3 | 1.1 | 8 | 12 | 22 | 7.9 | 16 | II | HP 24 | ||
| 16 | 2.6 | 5.8 | 8.2 | 5.5 | 1.2 | 10 | 13 | 26 | 10 | 20 | II | HP 25 | ||
PIN TYPE TERMINAL ENDS: Three types are available in this type of terminal ends i.e. Round, Regular, and Flat. They are mainly used for control cables, terminal station, flexible core, or for smaller sizes of cable. Pin type terminal ends are generally available for crimping type of connections which are made out of high conductivity copper.
| Specification | ||||||||||||||
|---|---|---|---|---|---|---|---|---|---|---|---|---|---|---|
| Cable mm2 | Dimensions | Product Code | ||||||||||||
| A | C | D | D1 | B | G + H | J | ||||||||
| 2.5 | 2.5 | 4.7 | 3.8 | 3.3 | 6 | 10 | 20 | HPC7 | ||||||
| 4 | 2.8 | 4.7 | 3.8 | 3.3 | 6 | 10 | 20 | HPC- 16 | ||||||
| 6 | 3.1 | 4.7 | 3.8 | 3.3 | 6 | 10 | 20 | HPC18 | ||||||
| 10 | 3.8 | 5.5 | 3.8 | 3.3 | 9 | 10 | 23 | HPC20 | ||||||
| 16 | 5.3 | 7.1 | 3.8 | 3.3 | 12 | 13 | 30 | HPC2 | ||||||
| 25 | 7 | 9 | 6 | 5.5 | 12 | 15 | 32 | HPC25 | ||||||
| 25 | 7 | 9 | 7.5 | 6.5 | 12 | 20 | 37 | HPC3 | ||||||
| 35 | 8 | 10 | 7.5 | 6.5 | 12 | 20 | 37 | HPC4 | ||||||
| 50 | 9.2 | 11.2 | 7.5 | 6.5 | 16 | 20 | 41 | HPC26 | ||||||
| 70 | 11.5 | 13.8 | 7.5 | 6.5 | 18 | 20 | 43 | HPC27 | ||||||
| 70 | 11.5 | 13.8 | 11.5 | 10.5 | 18 | 25 | 48 | HPC6 | ||||||
| 70 | 11.5 | 13.8 | 11.5 | 10.5 | 18 | 32 | 55 | HPC28 | ||||||
| 95 | 12.8 | 15.6 | 11.5 | 10.5 | 20 | 25 | 51 | HPC29 | ||||||
| 95 | 12.8 | 15.6 | 7.5 | 6.5 | 20 | 22 | 48 | HPC31 | ||||||
| 95 | 12.8 | 15.6 | 15.6 | 14 | 20 | 27 | 53 | HPC8 | ||||||
| 120 | 14.8 | 17.8 | 11.5 | 10.5 | 22 | 25 | 53 | HPC32 | ||||||
| 120 | 14.8 | 17.8 | 7.5 | 6.5 | 22 | 22 | 50 | HPC34 | ||||||
| 120 | 14.8 | 17.8 | 11.5 | 10.5 | 22 | 32 | 60 | HPC35 | ||||||
| 150 | 16 | 19.6 | 11.5 | 10.5 | 26 | 32 | 64 | HPC37 | ||||||
| 185 | 18 | 22 | 11.5 | 10.5 | 32 | 32 | 70 | HPC38 | ||||||
| 240 | 22 | 26 | 16 | 15 | 38 | 42 | 88 | HPC44 | ||||||
| 300 | 24 | 28.7 | 16 | 15 | 42 | 42 | 92 | HPC45 | ||||||
| 400 | 28 | 33.2 | 15.6 | 14 | 46 | 32 | 90 | HPC48 | ||||||
PIN TYPE TERMINAL ENDS: Three types are available in this type of terminal ends i.e. Round, Regular, and Flat. They are mainly used for control cables, terminal station, flexible core, or for smaller sizes of cable. Pin type terminal ends are generally available for crimping type of connections which are made out of high conductivity copper.
| Specification | ||||||||||
|---|---|---|---|---|---|---|---|---|---|---|
| Cable mm2 | Stud Hole E | Dimensions | Product Code | |||||||
| A | C | D | G | H | B | J | ||||
| 1.5 | 4.2 | 1.8 | 3.7 | 8 | 4 | 5 | 6 | 17 | HT 1.5 - 4 | |
| 5.2 | 1.8 | 3.7 | 8 | 4 | 5 | 6 | 17 | HT 1.5 - 5 | ||
| 6.5 | 1.8 | 3.7 | 10 | 4 | 6 | 6 | 18 | HT 1.5 - 6 | ||
| 2.5 | 4.2 | 2.4 | 4 | 8 | 4 | 5 | 8 | 19 | HT2.5 - 4 | |
| 5.2 | 2.4 | 4 | 8 | 4 | 5 | 8 | 19 | HT2.5 - 5 | ||
| 6.5 | 2.4 | 4 | 10 | 5 | 6 | 8 | 21 | HT2.5 - 6 | ||
| 8.4 | 2.4 | 4.2 | 12 | 6 | 9 | 8 | 26 | HT2.5 - 8 | ||
| 4 | 4.2 | 3.1 | 4.8 | 10 | 5 | 6 | 8 | 21 | HT4 - 4 | |
| 5.2 | 3.1 | 4.8 | 10 | 5 | 6 | 8 | 21 | HT4 - 5 | ||
| 6.5 | 3.1 | 4.8 | 10 | 5 | 6 | 8 | 21 | HT4 - 6 | ||
| 8.4 | 3.1 | 4.8 | 12 | 6 | 9 | 8 | 26 | HT4 - 8 | ||
| 6 | 5.2 | 3.8 | 5.5 | 10 | 5 | 6 | 10 | 24 | HT6 - 5 | |
| 6.5 | 3.8 | 5.5 | 10 | 5 | 6 | 10 | 24 | HT6 - 6 | ||
| 8.4 | 3.8 | 5.5 | 12 | 6 | 9 | 10 | 28 | HT6 - 8 | ||
| 10.5 | 3.8 | 6 | 15 | 8 | 1 | 10 | 32 | HT6 - 10 | ||
| 10 | 6.5 | 4.5 | 6.2 | 11 | 6 | 7 | 10 | 26 | HT 10 - 6 | |
| 8.4 | 4.5 | 6.2 | 12 | 6 | 9 | 10 | 28 | HT 10 - 8 | ||
| 10.5 | 4.5 | 6.8 | 15 | 8 | 11 | 11 | 33 | HT 10 - 10 | ||
| 16 | 6.5 | 5.4 | 7.1 | 12 | 7 | 7 | 12 | 30 | HT 16 - 6 | |
| 8.4 | 5.4 | 7.1 | 12 | 7 | 7 | 12 | 30 | HT 16 - 8 | ||
| 10.5 | 5.4 | 7.6 | 15 | 8 | 2 | 12 | 36 | HT 16 - 10 | ||
| 13 | 5.4 | 7.6 | 17 | 11 | 3 | 12 | 39 | HT 16 - 12 | ||
| 20 | 8.4 | 6 | 7.7 | 12 | 7 | 7 | 12 | 32 | HT 20 - 8 | |
| 25 | 6.5 | 6.8 | 8.8 | 13 | 7 | 7 | 12 | 30 | HT 25 - 6 | |
| 8.4 | 6.8 | 8.8 | 13 | 7 | 7 | 12 | 30 | HT 25 - 8 | ||
| 10.5 | 6.8 | 8.8 | 15 | 10 | 11 | 13 | 38 | HT25 - 10 | ||
| 13 | 6.8 | 9.2 | 17 | 10 | 12 | 15 | 41 | HT25 - 12 | ||
| 35 | 6.5 | 8.2 | 10.6 | 16 | 9 | 9 | 13.5 | 37 | HT 35 - 6 | |
| 8.4 | 8.2 | 10.6 | 16 | 9 | 9 | 13.5 | 37 | HT 35 - 8 | ||
| 10.5 | 8.2 | 10.6 | 16 | 9 | 9 | 13.5 | 37 | HT 35 - 10 | ||
| 13 | 8.2 | 10.6 | 18 | 10 | 12 | 13.5 | 41 | HT 35 - 12 | ||
| 17 | 8.2 | 10.6 | 22 | 14 | 18 | 13.5 | 50 | HT 35 - 16 | ||
| 50 | 8.4 | 9.5 | 12.4 | 18 | 9 | 10 | 17 | 42 | HT 50 - 8 | |
| 10.5 | 9.5 | 12.4 | 18 | 9 | 10 | 17 | 42 | HT 50 - 10 | ||
| 13 | 9.5 | 12.4 | 20 | 10 | 12 | 17 | 45 | HT 50 - 12 | ||
| 17 | 9.5 | 12.4 | 22 | 15 | 15 | 18 | 54 | HT 50 -16 | ||
| 70 | 8.4 | 11.3 | 14.6 | 21 | 11 | 11 | 18.5 | 47 | HT 70 - 8 | |
| 10.5 | 11.3 | 14.6 | 21 | 11 | 11 | 18.5 | 47 | HT 70- 10 | ||
| 13 | 11.3 | 14.6 | 21 | 11 | 11 | 18.5 | 47 | HT 70- 12 | ||
| 14.5 | 11.3 | 14.6 | 22 | 14 | 15 | 18.5 | 55 | HT 70- 14 | ||
| 95 | 10.5 | 13.5 | 17.4 | 25 | 12 | 13 | 21 | 53 | HT 95 - 10 | |
| 13 | 13.5 | 17.4 | 25 | 12 | 13 | 21 | 53 | HT 95 - 12 | ||
| 14.5 | 13.5 | 17.4 | 25 | 14 | 15 | 22 | 55 | HT 95 - 14 | ||
| 17 | 13.5 | 17.4 | 25 | 14 | 16 | 22 | 56 | HT 95 - 16 | ||
| 120 | 13 | 15 | 19.4 | 28 | 13 | 14 | 23 | 60 | HT120 - 12 | |
| 14.5 | 15 | 19.4 | 28 | 13 | 14 | 23 | 60 | HT120 - 14 | ||
| 17 | 15 | 19.4 | 28 | 16 | 16 | 23 | 64 | HT 120 - 16 | ||
| 150 | 13 | 16.5 | 21.2 | 30 | 16 | 16 | 27 | 70 | HT 150 - 12 | |
| 14.5 | 16.5 | 21.2 | 30 | 16 | 16 | 27 | 70 | HT 150 - 14 | ||
| 17 | 16.5 | 21.2 | 30 | 16 | 16 | 27 | 70 | HT 150 - 16 | ||
| 21 | 16.5 | 21.2 | 30 | 19 | 16 | 27 | 73 | HT150 - 20 | ||
| 185 | 13 | 18.5 | 23.5 | 34 | 17 | 19 | 32 | 80 | HT 185 - 12 | |
| 14.5 | 18.5 | 23.5 | 34 | 17 | 19 | 32 | 80 | HT 185 - 14 | ||
| 17 | 18.5 | 23.5 | 34 | 17 | 19 | 32 | 80 | HT 185 - 16 | ||
| 21 | 18.5 | 23.5 | 34 | 17 | 19 | 32 | 80 | HT185 - 20 | ||
| 240 | 13 | 21 | 26.5 | 38 | 20 | 20 | 37 | 94 | HT 240 - 12 | |
| 17 | 21 | 26.5 | 38 | 20 | 20 | 37 | 94 | HT 240 - 14 | ||
| 17 | 21 | 26.5 | 38 | 20 | 20 | 37 | 94 | HT 240 - 16 | ||
| 21 | 21 | 26.5 | 38 | 20 | 20 | 37 | 94 | HT 240 - 20 | ||
| - | 21 | 26.5 | 38 | - | - | 37 | 94 | HT 240 - BL | ||
| 300 | 13 | 23.5 | 30 | 43 | 22 | 22 | 42 | 102 | HT 300 - 12 | |
| 14.5 | 23.5 | 30 | 43 | 22 | 22 | 42 | 102 | HT 300 - 14 | ||
| 17 | 23.5 | 30 | 43 | 22 | 22 | 42 | 102 | HT 300 - 16 | ||
| 21 | 23.5 | 30 | 43 | 22 | 22 | 42 | 102 | HT 300 - 20 | ||
| - | 23.5 | 30 | 43 | - | - | 42 | 102 | HT 300 - BL | ||
| 400 | 13 | 28.5 | 36.5 | 52.5 | 26 | 26 | 44 | 114 | HT 400 - 12 | |
| 14.5 | 28.5 | 36.5 | 52.5 | 26 | 26 | 44 | 114 | HT 400 - 14 | ||
| 17 | 28.5 | 36.5 | 52.5 | 26 | 26 | 44 | 114 | HT 400 - 16 | ||
| 21 | 28.5 | 36.5 | 52.5 | 26 | 26 | 44 | 114 | HT 400 - 20 | ||
| - | 28.5 | 36.5 | 52.5 | - | - | 44 | 114 | HT 400 - BL | ||
| 500 | 17 | 30 | 39 | 56 | 28 | 28 | 48 | 121 | HT 500 - 16 | |
| 21 | 30 | 39 | 56 | 28 | 28 | 48 | 121 | HT 500 - 20 | ||
| - | 30 | 39 | 56 | - | - | 48 | 121 | HT 500 - BL | ||
| 630 | 14.7 | 35 | 45 | 63.8 | 33 | 33 | 60 | 144 | HT 630 - 16 | |
| 17 | 35 | 45 | 63.8 | 33 | 33 | 60 | 144 | HT 630 - 20 | ||
| 21 | 35 | 45 | 63.8 | - | - | 60 | 144 | HT 630 - BL | ||
| 800 | - | 39 | 50.6 | 72 | - | - | 78 | 170 | HT 800 - BL | |
| 1000 | - | 43 | 56.2 | 78.5 | - | - | 90 | 200 | HT 1000-BL | |
PIN TYPE TERMINAL ENDS: Three types are available in this type of terminal ends i.e. Round, Regular, and Flat. They are mainly used for control cables, terminal station, flexible core, or for smaller sizes of cable. Pin type terminal ends are generally available for crimping type of connections which are made out of high conductivity copper.
| Specification | ||||||||||
|---|---|---|---|---|---|---|---|---|---|---|
| Colour of Insulation | Cable mm2 | Dimensions | Product Code | |||||||
| F | L | W | D | C | ||||||
| White | 0.5 | 6 | 12 | 2.6 | 1.3 | 1 | HE0506 | |||
| 8 | 14 | HE0508 | ||||||||
| 10 | 16.4 | HE0510 | ||||||||
| 12 | 18.4 | HE0512 | ||||||||
| Blue | 0.75 | 6 | 12.4 | 2.8 | 1.5 | 1.2 | HE7506 | |||
| 8 | 14.4 | HE7508 | ||||||||
| 10 | 16.4 | HE7510 | ||||||||
| 12 | 18.4 | HE7512 | ||||||||
| Red | 1 | 8 | 12 | 3 | 1.7 | 1.4 | HE100 | |||
| 10 | 14 | HE1008 | ||||||||
| 12 | 16 | HE1010 | ||||||||
| 18 | 18 | HE1012 | ||||||||
| Black | 1.5 | 8 | 14.6 | 3.5 | 2 | 1.7 | HE1508 | |||
| 10 | 16.4 | HE1510 | ||||||||
| 12 | 18.4 | HE1512 | ||||||||
| 18 | 24.4 | HE1518 | ||||||||
| Grey | 2.5 | 8 | 15.2 | 4 | 2.6 | 2.3 | HE2508 | |||
| 10 | 17.2 | HE2510 | ||||||||
| 12 | 19.2 | HE2512 | ||||||||
| 18 | 25.2 | HE2518 | ||||||||
| Orange | 4 | 9 | 16.5 | 4.4 | 3.2 | 2.8 | HE4009 | |||
| 12 | 19.5 | HE4012 | ||||||||
| 18 | 25.5 | HE4018 | ||||||||
| Green | 6 | 10 | 18 | 6.3 | 3.9 | 3.5 | HE6010 | |||
| 12 | 20 | HE6012 | ||||||||
| 18 | 26 | HE6018 | ||||||||
| Brown | 10 | 12 | 21.5 | 7.6 | 4.9 | 4.5 | HE10-12 | |||
| 18 | 27.5 | HE10-18 | ||||||||
| White | 16 | 12 | 22.2 | 8.8 | 6.2 | 5.8 | HE16-12 | |||
| 18 | 28.2 | HE16-18 | ||||||||
| Brown | 25 | 16 | 29 | 11.2 | 7.9 | 7.5 | HE25-16 | |||
| 22 | 35 | HE25-22 | ||||||||
| White | 35 | 16 | 30 | 12.7 | 8.7 | 8.3 | HE35-16 | |||
| 25 | 39 | HE35-25 | ||||||||
| Olive | 50 | 20 | 36 | 15.3 | 10.9 | 10.3 | HE50-20 | |||
| 25 | 41 | HE50-25 | ||||||||